Welcome to Zhejiang Hanpu Power Technology Co., Ltd.
Welcome to Zhejiang Hanpu Power Technology Co., Ltd.
Address: No. 678, Chang'an North Road, Haiyan County, Zhejiang Province
Postal code: 314300
Contact number: 0573-86115231
Fax: 0573-86124366
| Availability: | |
|---|---|
| Quantity: | |
PTC-8320E
HPU
9030849000
PTC-8320E Three Phase Close-link Energy Meter Test Bench with Isolated CT-(Overall type)
1.Features
1.1 The bench accords with the standard of "IEC 60736:1982 Testing equipment for electrical energy meters", "IEC 62053"
1.2 Close-link and ordinary calibration both can be used, ordinary calibration can be used to test single/three phase active and reactive energy meter(up to 0.5 class),close-link calibration can be used to test single/three phase active and reactive energy meter(up to 1 class).
1.3 The bench can test the converted quantity which is caused by negative phase, voltage unbalance, harmonic wave and so on.
1.4 The bench can auto-calibrate starting, no load, basic error and calibration tolerance and 24h deflection.
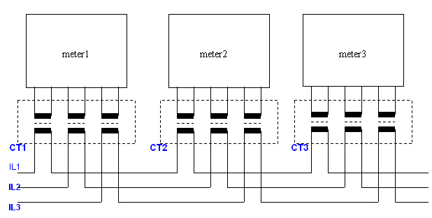
1.5 Close-link calibration is using insulate current transformer and suitable for close-link energy meter.
1.6 The bench is using the error processor system to calculate the error of each energy meter by the sub-error system which can be connected by the internal RS485.
1.7 The same specification but different constant energy meter can be tested at one time.
1.8 For the installed pick-up equipment, can offer 3 ranges adjustment. It is also can be accepted the signal for both round-style energy meter and digital LED energy meter.
1.9 The bench can choose to operate by keyboard or PC which is convenient. The working status of bench can be seen very clear and easy operation.
1.10 The bench is using the testing software complied with WINDOWS10 which can auto-testing different energy meters.
1.11 The software can realize the data from energy meter for statistics, search and management. It also can connect with on-line management for up load the data.
1.12 The energy meter hanging rack is made by Aluminum compound.The whole device configuration is a reasonable design and nice outfit.
2. Specification
2.1 Accuracy class: 0.05/0.1 class
2.2 Reference standard meter:
HC3100H Accuracy class: 0.02/0.05
2.3 Isolated current transformer equipment:
PTC-9503B insulate current inductance
Accuracy class:0.01(COSφ=0.5C-1-0.5L,0.1-100A) (200A optional)
Output power:30VA(MAX,100A)
2.4 Voltage amplifier:
Output voltage range: 30-400V (phase-neutral)
50-600V (phase-phase)
Output power: ≥15VA(every meter)
Resolution: 0.01%
Stability: better than 0.05%/180s
Distortion factor: < 0.5% at linear load
Frequency range: 45Hz~65Hz
Power efficiency: more than 85%
Ambient temperature:10ºC~50ºC
2.5 Current amplifier:
Output current: range: 1mA~100A (200A optional)
Output power: ≥40VA(every meter)
Resolution: 0.01%
Stability: better than 0.05%/180s
Distortion factor: < 0.5% at linear load;
Frequency range: 45Hz~65Hz;
Power efficiency: greater than 85%;
Ambient temperature:10ºC~50ºC
2.6 Phase Angle: 0°~360° , resolution of phase angle setting: 0.1°;
2.7 Output frequency range: 45Hz~65Hz; resolution: 0.01Hz
2.8 Harmonic wave output:
2-21 sub-harmonic wave contents=40%
3,5,7 sub-harmonic wave couping, total content=40%
Phase angel control (odd sub-harmonic wave)
Wave group control (sub-harmonic wave)
2.9 Output stability of power:<0.05% (180s)
2.10 Numbers of calibrated energy meter: 16
2.11Input power: AC3x220/380V(Y) 15%, 50/60Hz
PTC-8320E Three Phase Close-link Energy Meter Test Bench with Isolated CT-(Overall type)
1.Features
1.1 The bench accords with the standard of "IEC 60736:1982 Testing equipment for electrical energy meters", "IEC 62053"
1.2 Close-link and ordinary calibration both can be used, ordinary calibration can be used to test single/three phase active and reactive energy meter(up to 0.5 class),close-link calibration can be used to test single/three phase active and reactive energy meter(up to 1 class).
1.3 The bench can test the converted quantity which is caused by negative phase, voltage unbalance, harmonic wave and so on.
1.4 The bench can auto-calibrate starting, no load, basic error and calibration tolerance and 24h deflection.
1.5 Close-link calibration is using insulate current transformer and suitable for close-link energy meter.
1.6 The bench is using the error processor system to calculate the error of each energy meter by the sub-error system which can be connected by the internal RS485.
1.7 The same specification but different constant energy meter can be tested at one time.
1.8 For the installed pick-up equipment, can offer 3 ranges adjustment. It is also can be accepted the signal for both round-style energy meter and digital LED energy meter.
1.9 The bench can choose to operate by keyboard or PC which is convenient. The working status of bench can be seen very clear and easy operation.
1.10 The bench is using the testing software complied with WINDOWS10 which can auto-testing different energy meters.
1.11 The software can realize the data from energy meter for statistics, search and management. It also can connect with on-line management for up load the data.
1.12 The energy meter hanging rack is made by Aluminum compound.The whole device configuration is a reasonable design and nice outfit.
2. Specification
2.1 Accuracy class: 0.05/0.1 class
2.2 Reference standard meter:
HC3100H Accuracy class: 0.02/0.05
2.3 Isolated current transformer equipment:
PTC-9503B insulate current inductance
Accuracy class:0.01(COSφ=0.5C-1-0.5L,0.1-100A) (200A optional)
Output power:30VA(MAX,100A)
2.4 Voltage amplifier:
Output voltage range: 30-400V (phase-neutral)
50-600V (phase-phase)
Output power: ≥15VA(every meter)
Resolution: 0.01%
Stability: better than 0.05%/180s
Distortion factor: < 0.5% at linear load
Frequency range: 45Hz~65Hz
Power efficiency: more than 85%
Ambient temperature:10ºC~50ºC
2.5 Current amplifier:
Output current: range: 1mA~100A (200A optional)
Output power: ≥40VA(every meter)
Resolution: 0.01%
Stability: better than 0.05%/180s
Distortion factor: < 0.5% at linear load;
Frequency range: 45Hz~65Hz;
Power efficiency: greater than 85%;
Ambient temperature:10ºC~50ºC
2.6 Phase Angle: 0°~360° , resolution of phase angle setting: 0.1°;
2.7 Output frequency range: 45Hz~65Hz; resolution: 0.01Hz
2.8 Harmonic wave output:
2-21 sub-harmonic wave contents=40%
3,5,7 sub-harmonic wave couping, total content=40%
Phase angel control (odd sub-harmonic wave)
Wave group control (sub-harmonic wave)
2.9 Output stability of power:<0.05% (180s)
2.10 Numbers of calibrated energy meter: 16
2.11Input power: AC3x220/380V(Y) 15%, 50/60Hz
Zhejiang Hanpu Power Technology Co., Ltd.
China's leading supplier of power equipment solutions | A high-tech enterprise integrating R&D, production, sales and complete solution
Mobile phone:0086-15958335298
Mailbox:cathyxiao@zhejianghanpu.com
Phone:0086-573-86115231
Address: No. 678, Chang'an North Road, Haiyan County, Zhejiang Province, China